
D941W-1C型电动通风蝶阀产品概述:
蝶阀采用优质钢板焊接而成,结构简单,重量轻,使用维修方便。非密封型,用来调节介质流量,使用在治金、矿山、水泥。化工、发电等行业的通风除尘、环境保护及采暖通风。
Product Instroduction
This kind of butterfiy valve is weldve by high quality alloy steel with a simple strucyure,lightweight, and E-maintenance. lt has no sealing funcion.lt is widely used in the pipelines of
ventilation, dust-moving, enxironmental protection and heating ventilation system to control the medium flow. Relatad industres are Blower, chemical,mill, metallurgy, cemrnt, eleceric
power plant ,iron&steel and foodseuff industry rtc.
公称通径:100mm-3000mm;
公称压力:0.1Mpa;
使用温度:≤300℃;
适用介质:空气、 煤气、 烟气等。
Nominal diameter:100mm-3000mm:
Nominal pressure:0.1Mpa;
Applicable temperature:≤300℃;
Applicale medium:Air,coal gas,flue gas etc.
采用标准 Applicable standard
制造标准:JB/T8692-98;
法兰连接尺寸:GB/T9113-2000;
结构长度:GB/T12221-89;
检验标砖:GB/T13927-92
Mannfacture standard:JB/T8692-98;
Flange connection size:GB/T9113-2000;
Face to face:GB/T12221-89;
Inspetion standara: GB/T13927-92
主要零部件材料 Matericl for main parts
阀体:Q235-A:
蝶板:Q235-A;
阀杆: 不锈钢;
填料: 柔性石墨
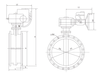
D941W-1C型电动通风蝶阀示意图:

D941W-1C型电动通风蝶阀主要技术参数:
瑞安市天蓝环保设备有限公司主营:卸料器、卸灰阀、星型卸灰阀、卸料阀、瑞安卸料器等系列产品,“天蓝环保、净化全球”,客服热线:0577-65007068


